Home / Réseau électrique / Corrigé – Exercice Grafcet Chaine de Remplissage de Bouteilles

Corrigé – Exercice Grafcet Chaine de Remplissage de Bouteilles

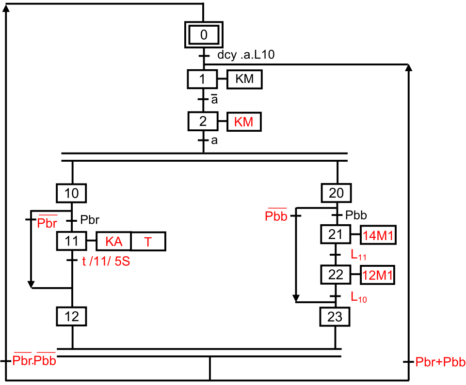
  1. Grafcet de point de vue partie opérative (niveau 2)

2. Tableau d’activation et de désactivation des étapes

    Répondre

    Votre adresse e-mail ne sera pas publiée. Les champs obligatoires sont indiqués avec *